تعد دوائر التوالي واحدة من الطرق الأساسية لتوصيل المكونات الكهربائية في الدائرة، حيث يتم توصيل المكونات تلو الآخر في مسار واحد للتيار الكهربائي. في هذا النوع من التوصيل، يمر نفس التيار عبر جميع الأجهزة، بينما يتوزع الجهد الكلي للمصدر عليها. ومن الخصائص الهامة لدائرة التوالي أن المقاومة الكلية تساوي مجموع المقاومات الفردية، مما يعني أنه كلما زاد عدد المقاومات (مثل المصابيح)، زادت المقاومة الكلية وقلت شدة التيار، وبالتالي تضعف شدة الإضاءة. ومن عيوبها الأساسية أنه في حال تعطل أحد الأجهزة أو انقطاع المسار، تتوقف جميع الأجهزة الأخرى في الدائرة عن العمل.
رقم الاختبار805
الصفالصف الثاني عشر العام
المادةفيزياء
الفصلالفصل الثالث
السنة الدراسية2025/2026
عدد الأسئلة18
إجمالي النقاط18
تاريخ الإضافة2026-04-19
الزيارات20
المعلم أو الناشرAmal Salman
اختر إجابة واحدة لكل سؤال. عند الاختيار ستظهر النتيجة فورًا: الأخضر صحيح، والأحمر خطأ، وسيظهر تفسير الإجابة مباشرة إن كان متوفرًا. وبعد آخر سؤال ستظهر الدرجة النهائية تلقائيًا.
السؤال 1
النقاط: 1
في دائرة التوالي يكون التيار متغير و الجهد متجزئ
تفسير الإجابة
في دائرة التوالي يكون التيار ثابتاً في جميع أجزاء الدائرة وليس متغيراً، بينما يتجزأ الجهد.
السؤال 2
النقاط: 1
قانون حساب التيار الكهربائي هو \( I = \frac{V}{R} \)
تفسير الإجابة
وفقاً لقانون أوم، يتم حساب التيار الكهربائي بقسمة فرق الجهد على المقاومة.
السؤال 3
النقاط: 1
التيار غير متساوٍ في جميع أجزاء دائرة التوالي الكهربائية
تفسير الإجابة
من خصائص دائرة التوالي أن التيار يمر بمسار واحد ويكون متساوياً في جميع نقاطها.
السؤال 4
النقاط: 1
المقاومة المكافئة بوحدة الأوم في الصورة التالية تساوي
تفسير الإجابة
في دائرة التوالي، المقاومة المكافئة هي مجموع المقاومات: \( 100 + 300 = 400 \).
السؤال 5
النقاط: 1
في دائرة التوالي يكون التيار
تفسير الإجابة
التيار في دائرة التوالي يكون ثابتاً لا يتغير عبر المكونات المختلفة المتصلة.
السؤال 6
النقاط: 1
توصيل الدائرة في الصورة التي أمامك على
تفسير الإجابة
المكونات في الصور متصلة خلف بعضها البعض في مسار واحد للتيار، وهو ما يسمى بتوصيل التوالي.
السؤال 7
النقاط: 1
عدد المسارات في التوصيل على التوالي
تفسير الإجابة
تتميز دائرة التوالي بوجود مسار واحد فقط يمر فيه التيار الكهربائي من القطب الموجب إلى السالب.
السؤال 8
النقاط: 1
وحدة قياس المقاومة هي
تفسير الإجابة
الأوم هي الوحدة العالمية لقياس المقاومة الكهربائية، بينما يقاس التيار بالأمبير والجهد بالفولت.
السؤال 9
النقاط: 1
من مزايا التوصيل على التوالي أن كل جهاز لا يتأثر بتعطل الجهاز الآخر
تفسير الإجابة
في التوصيل على التوالي، إذا تعطل جهاز واحد تنقطع الدائرة بالكامل ويتوقف التيار عن الوصول لبقية الأجهزة.
السؤال 10
النقاط: 1
ما نوع الدائرة في الصورة المجاورة، وكم مساراً للتيار
تفسير الإجابة
الدائرة توضح توصيل المصابيح في مسار واحد متسلسل، فهي دائرة توالي بمسار تيار واحد.
السؤال 11
النقاط: 1
يقاس التيار الكهربائي بوحدة
تفسير الإجابة
وحدة قياس شدة التيار الكهربائي في النظام الدولي للوحدات هي الأمبير.
السؤال 12
النقاط: 1
في دائرة التوالي، كلما زاد عدد المصابيح زادت قراءة الأميتر
تفسير الإجابة
زيادة عدد المصابيح في التوالي تزيد المقاومة الكلية للدائرة، مما يؤدي إلى نقصان شدة التيار (قراءة الأميتر) وفق قانون أوم.
السؤال 13
النقاط: 1
أي من العبارات التالية تمثل العلاقة بين زيادة عدد المصابيح في الدائرة الكهربائية وشدة التيار الكهربائي؟
تفسير الإجابة
توجد علاقة عكسية بين عدد المصابيح (التي تعمل كمقاومات) وشدة التيار في دائرة التوالي؛ فبزيادة العدد تزداد المقاومة الكلية ويقل التيار.
السؤال 14
النقاط: 1
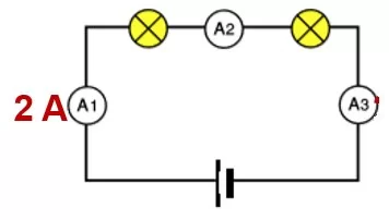
ما قيمة شدة التيار الكهربائي عند الأميتر (3) في الدائرة الكهربائية الموضحة في الشكل؟
تفسير الإجابة
في دائرة التوالي، تكون شدة التيار متساوية في جميع أجزاء الدائرة. بما أن الأميتر الأول يقرأ 2 أمبير، فإن الأميتر الثالث سيقرأ نفس القيمة.
السؤال 15
النقاط: 1
إذا تعطل مصباح بطريقة التوالي فإن باقي المصابيح
تفسير الإجابة
في دائرة التوالي، يؤدي تعطل أي مصباح إلى انقطاع المسار الوحيد لمرور التيار الكهربائي، مما يؤدي لتعطل جميع المصابيح الأخرى.
السؤال 16
النقاط: 1
كلما زاد عدد المصابيح في طريقة التوصيل على التوالي فإن شدة الإضاءة
تفسير الإجابة
بزيادة عدد المصابيح في التوصيل على التوالي، تزداد المقاومة الكلية للدائرة، مما يقلل من شدة التيار الكلي ويضعف شدة إضاءة المصابيح.
السؤال 17
النقاط: 1
في التوصيل التوالي يكون متساوي
تفسير الإجابة
في دوائر التوالي، يمر نفس مقدار التيار الكهربائي في كل مكون، بينما يتوزع الجهد الكلي بين هذه المكونات.
السؤال 18
النقاط: 1
ما هي المعادلة المناسبة لحساب المقاومة الكلية في دائرة التوالي
تفسير الإجابة
المقاومة المكافئة (الكلية) في دائرة التوالي تحسب عن طريق الجمع المباشر لقيم جميع المقاومات المتصلة في المسار.
متابعة النتيجة
تمت الإجابة0 / 18
الإجابات الصحيحة0
الإجابات الخاطئة0
النسبة الحالية0%
انتهى الاختبار
هذه نتيجتك النهائية بعد الإجابة عن جميع الأسئلة.
النتيجة النهائية
0/180%
الإجابات الصحيحة0
الإجابات الخاطئة0
الأسئلة المجابة0 / 18
إجمالي النقاط الممكنة18
يمكنك إعادة فتح الصفحة لبدء المحاولة من جديد.
🍪
إشعار ملفات تعريف الارتباط
يستخدم هذا الموقع ملفات تعريف الارتباط لتحسين تجربة التصفح وقياس الأداء وعرض المحتوى بشكل أفضل.
باستخدامك للموقع فإنك توافق على استخدامنا لها وفق
سياسة الخصوصية.